Palan à levier YA mini ELEPHANT

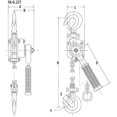
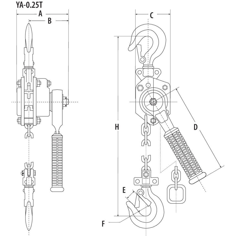
Le palan à levier YA mini ELEPHANT est un appareil très robuste conçu pour le levage, la traction et l’arrimage des charges dans toutes les directions. Une simple action suffit pour mettre ce palan à levier en roue libre.

Caractéristiques :

  • Palan à levier léger et compact.
  • Les crochets sont

Voir plus

Référence du produit:
Elephant

Le palan à levier YA mini ELEPHANT est un appareil très robuste conçu pour le levage, la traction et l’arrimage des charges dans toutes les directions. Une simple action suffit pour mettre ce palan à levier en roue libre.

Caractéristiques :

  • Palan à levier léger et compact.
  • Les crochets sont équipés de linguets de sécurité.
  • En cas de surcharge, les crochets se plient progressivement au lieu de briser.
  • Le frein se bloque automatiquement à n’importe quelle hauteur désirée.
  • La roue libre est possible à vide et avec une simple action.
  • Levier avec une protection antidérapante en caoutchouc.
  • Chaîne de levage à haute résistance, galvanisé en grade 100.

Livraison standard :

  • Hauteur de levée 1,5 m (distance max entre le crochet supérieur et le crochet inférieur).

Options :

  • Autres hauteurs de levée sur demande.
  • Marquage: Selon la norme, Marqué CE
  • Norme: EN 818-7, EN 13157